Description
The Narrow Linewidth DFB Butterfly Laser Diode BNLD-1550-40PM-FA1 from BOX Optronics is a high-performance laser designed for precision applications in optical fiber communication and microwave photonics.
This laser features a unique single DFB chip with advanced packaging technology, ensuring low linewidth and relative intensity noise. The device is housed in a standard 14-pin butterfly package, offering high output power and exceptional stability. With a center wavelength of 1550 nm and an output power of 40 mW, it is ideal for applications requiring high precision and reliability. The electro-optical characteristics of the BNLD-1550-40PM-FA1 are optimized for superior performance.
The laser operates within a temperature range of 15 to 35°C, with a linewidth of 200 to 600 KHz and a relative intensity noise (RIN) of -135 dB/Hz. The polarization extinction ratio (PER) is 18 dB, and the side mode suppression ratio (SMSR) is 40 dB, ensuring high signal purity. The wavelength temperature coefficient is 0.1 nm/℃, and the wavelength current coefficient is 0.003 nm/mA, providing stable operation over a wide range of conditions. The mechanical design of the BNLD-1550-40PM-FA1 is robust and user-friendly.
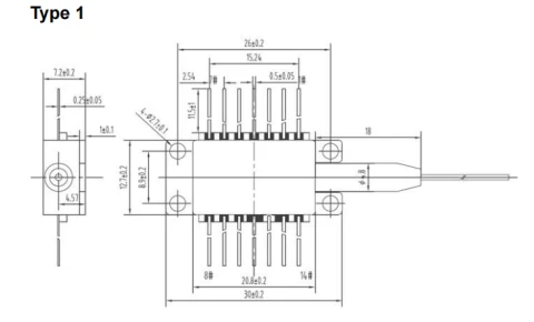
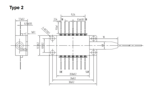
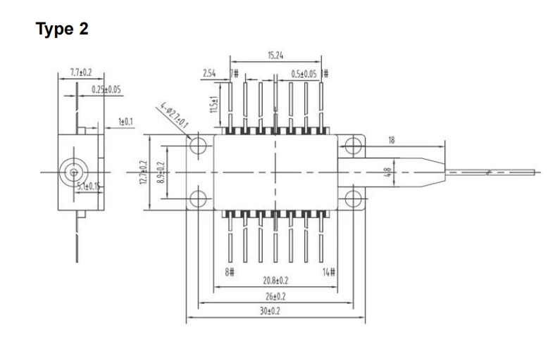
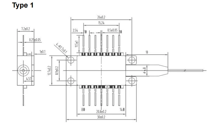
The fiber specifications include a PM fiber with a 900μm loose tube and a pigtail length of 1.0±0.1 meters, terminated with an FC/APC connector. The package dimensions are 20.8±0.2 mm by 30±0.2 mm, and the pin-out design is available in two types to meet different integration needs. This laser diode is suitable for applications such as coherent detection and microwave photonics, making it a versatile component for advanced optical systems.
Tel/Whatsapp:+86-18476865009
Narrow Linewidth DFB Butterfly Laser Diode
Specifications
| Center Wavelength: | 1550 nm |
|---|---|
| Output Power: | 0.04 W |
| Output Mode: | Continuous Wave (CW) |
| Spectral Linewidth: | 1.6E-6 nm |
| Output Power Stability: | </= 0.1% |
| Output Fiber Type: | SM Fiber, SMF-28, PM-1550, PMF |
| Output Fiber Length: | 1 m |
| Interface: | Other / Not-specified |
| Cooling: | Other |
| Electrical Requirements: | Other / Not Specified |
| Linewidth: | 200/600 KHz |
| Optical Isolation: | 38 dB |
| Polarization Extinction Ratio: | 18 dB |
| Side Mode Suppression Ratio: | 40 dB |
| Wavelength Temperature Coefficient: | 0.1 nm/℃ |
| Wavelength Current Coefficient: | 0.003 nm/mA |
| Connector Type: | FC/APC |
Got questions about specs? Use the inquiry form to ask.
Features
- Industry-standard, 14-pin butterfly package
- Narrow linewidth
- Low RIN and phase noise
- High output optical power
- High stability
- Reliability: Telcordia GR-468. RoHS
Applications
- Optical fiber communication
- Coherent detection
- Microwave photonics
Frequently Asked Questions
What is the model number of the Narrow Linewidth DFB Butterfly Laser Diode?
What are the main features of the Narrow Linewidth DFB Butterfly Laser Diode?
What applications is the Narrow Linewidth DFB Butterfly Laser Diode suitable for?
What are the absolute maximum ratings for the laser diode?
What is the typical center wavelength of the laser diode?
What is the polarization extinction ratio (PER) of the laser diode?
What type of optical fiber is used with this laser diode?
Got more questions? Use the RFQ form to ask the supplier directly.
Similar Products
Need pricing for this product? Send a quick inquiry
Your inquiry has been received.
Create an account by adding a password
Why create an account?
- Auto-complete inquiry forms
- View and manage all your past messages
- Save products to your favorites
- Close your account anytime — no hassle