Description
This is a Free Space Acousto-Optic Modulator (AOM) operating at 532nm and 100MHz. It features fast modulation speed, low insertion loss, high extinction ratio, low power consumption, good temperature stability and high performance reliability. Thanks to these characteristics it is an ideal choice for Q-switching, optical switching, frequency shifting and quantum communication applications.
Acousto-Optic Modulators use the principle of acousto-optic interaction to perform amplitude modulation and frequency shift processing on lasers.
CSRayzer offer a wide range of acousto-optic modulators (AOM) with wavelength regions from the visible to the infrared. All AOMs produced by us come in an all-metal structure design, compact and sturdy hermetic packaging structure, and innovative packaging technology to ensure high reliability and temperature stability.
CSRayzer also provides free space or fiber-coupled acousto-optic modulators, which are applied for Q-switched fiber lasers, laser Doppler coherent applications, ultrafast laser frequency pulse pickers, linear frequency adjustment, with wavelength range from 300 nm to 2000 nm, and frequency range from 35 MHz to 300 MHz.
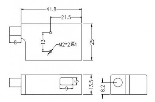
Free Space Acousto-Optic Modulator 532nm 100MHz
Specifications
Center Wavelength: | 532 nm |
---|---|
Operational Wavelength Range: | 500 – 650 nm |
Acoustic Mode: | Transverse |
Operating Frequency: | 100 MHz |
Light Polarization: | Random |
Optical Power Density: | 1 KW/cm2 |
Deflection Angle: | 12.66 mrad |
Radio Frequency Power: | 0.8 w |
Diffraction Efficiency: | 90% |
Optical Aperture (L X H): | 2 x 1 mm |
Average Optical Power Handling: | 5 W |
Device Interface: | SMA |
Material: | TeO2 |
Rise Time: | 200 ns |
VSWR: | 1.2:1 |
Input Impedance: | 50 Ω |
Features
This Free Space Acousto-Optic Modulator (532nm 100MHz) features the following advantages:
- Low Insertion Loss
- Compact Size
- Stable Performance
- Customizable Configuration
- Low and efficient Cost
Applications
Thanks to its robust construction and performance parameters these acousto-optical modulators are the preferred choice for a variety of industrial and research applications including:
- Q Switch
- Optical Switch
- Frequency Shifting
- Quantum Communication
Frequently Asked Questions
What is the operating wavelength of the Free Space Acousto-Optic Modulator?
What is the modulation speed of the Acousto-Optic Modulator?
What are the advantages of the Free Space Acousto-Optic Modulator?
What applications is the Acousto-Optic Modulator suitable for?
What is the temperature range in which the Acousto-Optic Modulator can operate?
Similar Products












Your inquiry has been received.
Create an account by adding a password
Why create an account?
- Auto-complete inquiry forms
- View and manage all your past messages
- Save products to your favorites
- Close your account anytime — no hassle